— 產品知識 —
NEWS CENTRES
全國免費客服電話 152-3782-8699 地址:開封市魏都路中段109號
電話:152-3782-8699
郵箱:497343898@qq.com
發布時間:2018-08-17 01:45:21
IC卡智能水表參數
IC卡智能水表是以**的微電腦控制技術為核心,以智能卡為信息傳遞媒介的高科技機電一體化智能儀表,具有機械計數和電子計數雙重功能,在保持了傳統機械式水表特點的同時,還具有直觀的電子顯示性能。具有設計**、技術含量高、功能完備、計量**、性能可靠、體積小、外觀精美、安裝便捷、使用方便等優點,適用于城市居民用水的計量和收費,先繳費,后用水,避免了查表收費所帶來的不便。
◆非接觸IC卡技術,無線傳輸數據,全密封,非接觸,具有防攻擊功能;
◆閥門采用防抱死懸浮結構,開關閥門扭矩小,提高了閥門可靠性和壽命;
◆多重密封結構設計,可**防水、防潮;
◆抽屜式電池盒結構設計,用戶可方便自行更換電池;
◆具有定時自動開關閥門去除球閥球表面污垢功能;
◆具有階梯水價功能,三個階梯水量可設,三個階梯單價可設;
◆具有磁干擾、電池欠壓關閥保護功能;
◆閥門內漏量≤2L/h。

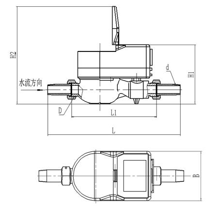
外觀尺寸


下一篇:水表的單位是什么?
相關推薦
在線咨詢
銷售熱線
銷售熱線:152-3782-8699